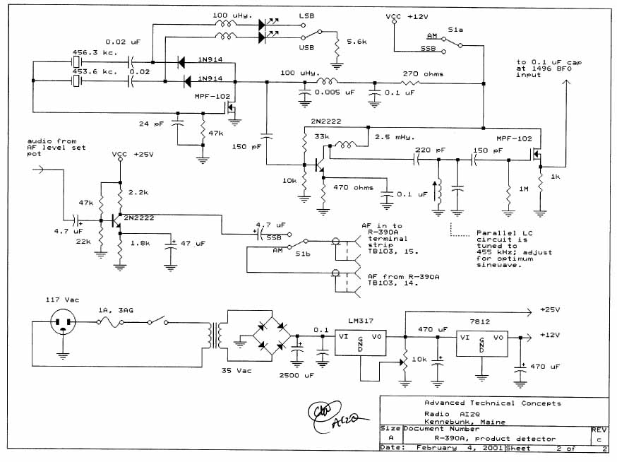
This self-contained product
detector is presently used with a Motorola R-390A
receiver, however it could be used with almost any
"boat anchor" that doesn't have one. The circuit is designed for 455-kHz (kc.) intermediate frequency (IF) applications. It includes an AGC amplifier and rectifier. The product detector itself uses a uA1496 or LM1496 Gilbert-cell chip. Thanks to W2EMN (formerly WB2LHI), Ed, for the original inspiration, and thanks to reader Dan Merz for sharp eyes in catching schematic errors in my original diagram. Click image for a full-sized (corrected) schematic. == >> |
![]() |
The oscillator section uses
crystal control to ensure stability, however you could
modify the circuit to use a ceramic frequency-setting
element. Substituting 500-kHz crystals would make it
suitable for use with Collins 51J-x Series
receivers. Click image for a full-sized schematic. == >> Below (L): R-390A with product detector chassis on top Below (R): Close-up of product detector chassis |
![]() |
![]() |
![]() |
Click here to return to home page. |